Categoria: Fai da te Marino
Costruzione di una plafoniera per Nanoreef – Plafoniera parte2
23/12/2014
CLICCA QUI PER LA PRIMA PARTE Il secondo punto è la realizzazione dei pannellini laterali. Uno con le prese d’aria, l’altro con le prese d’aria, il...
Consigli su come realizzare un’acquario di barriera
23/12/2014
Abbiamo colto l’ occasione della realizzazione di un acquario di barriera, per documentare le fasi della costruzione e descrivere i materiali, e gli accessori...
Guida alla costruzione artigianale di un gruppo di ventole termostatato
23/12/2014
Questo progetto torna utile in quei periodi in cui la temperatura ambientale è alta al punto tale da far salire pericolosamente quella dell’acquario....
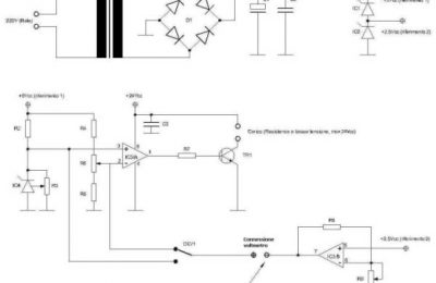
Riscaldatore acquari / termometro elettronico
23/12/2014
Un riscaldatore acquari elettronico che permette di utilizzare resistenze a bassa tensione per riscaldare acquari e qualsiasi altro liquido; la temperatura è impostata...
Guida alla costruzione artigianale di un reattore di kalkwasser
23/12/2014
costruzione artigianale kalkwasser Il tutto è facilmente realizzabile utilizzando unicamente parti ad incollaggio, i materiali necessari sono normalmente reperibili...
Guida alla costruzione artigianale di un reattore di calcio economico
23/12/2014
Guida per costruire un reattore di calcio piccolo ed economico senza l’ utilizzo di attrezzature particolari (tornio, fresa, ecc.). Il tutto è facilmente...
Reattore di kalkwasser con agitatore magnetico
23/12/2014
Grazie ad un idea di Alessandro Rovero abbiamo avuto l’occasione di realizzare questo reattore di kalkwasser abbinato all’utilizzo di un agitatore magnetico....
Guida alla costruzione artigianale di un reattore di calcio
23/12/2014
Il tutto è facilmente realizzabile utilizzando unicamente parti ad incollaggio, i materiali necessari sono normalmente reperibili presso i grossisti di idraulica,...
Alimentatore elettronico per lampade fluorescenti
23/12/2014
Come realizzare un semplice ma efficiente alimentatore elettronico per lampade fluorescenti, con il quale è possibile regolare la luminosità delle lampade stesse da un...
Conduttivimetro
23/12/2014
Navigando qui e la tra siti inglesi che ne parlano e articoli di italiani che lo descrivono, io lo ho realizzato per voi con delle grosse modifiche che ne semplificano...






































































































































