Categoria: Fai da te Marino
Osmoregolatore a Micro-Switch
23/12/2014
Questo semplice progetto nasce con l’intento di facilitare l’acquariofilo nella costruzione di un semplice osmoregolatore impiegando un comunissimo...
Guida alle costruzione artigianale di un osmoregolatore
23/12/2014
Premessa Questo osmoregolatore lo ho realizzato con gli interruttori galleggianti non per uso in acquariologico, che si trovano in commercio .A seconda dei modelli (chi...
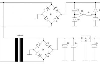
Alimentatore elettronico per lampade fluorescenti
23/12/2014
Come realizzare un semplice ma efficiente alimentatore elettronico per lampade fluorescenti, con il quale è possibile regolare la luminosità delle lampade stesse da un...
Conduttivimetro
23/12/2014
Navigando qui e la tra siti inglesi che ne parlano e articoli di italiani che lo descrivono, io lo ho realizzato per voi con delle grosse modifiche che ne semplificano...
Un supporto per acquari di design dal cuore duro!
15/11/2014
Prima o poi capita a tutti di dover cambiare casa e, con l’occasione, di cambiare vasca (magari per una più grande!). Anch’io ho inseguito questo sogno, il problema...
Sistema di raffreddamento acqua con ventole
15/10/2014
Se si hanno a disposizione utensili per lavorare la plastica,questo potrebbe essere un ottimo sistema per fissare le ventole di raffreddamento in un’ acquario con...
Osmoregolatore Elettrico
15/09/2014
L’integrato NE555, su cui si basa questo progetto, è un circuito integrato multivibratore particolarmente versatile, che per questa applicazione utilizzeremo in...
Plafoniera ibrida da base acqualiving
15/09/2014
Salve, siccome non riesco a star senza far nulla, ed amo l’elettronica, l’acquariologia ed il fai-da-te….mi diverto spesso a realizzare plafoniere per acquari...
Videosorveglianza in acquario
15/06/2014
Con l’arrivo della bella stagione e le conseguenti ferie, gite fuori porta e via dicendo, si ripresenta il problema di dover lasciare la vasca a sé stessa, con tutti...
Costruzione Plafoniera fai da te
15/03/2014
Costruzione plafoniera fai da te a led da una vecchia t5. Materiale usato: – scocca plafoniera HEL-1200 – strisce di alluminio larghe cm. 3, – strisce...




































































































































